Về nguồn
Điểm mốc hình thành từ Nước ở thành phố “Trong Sông” là ý tưởng của đề xuất có tên “Về nguồn” – được coi như là một phần của cảnh quan mặt nước Hồ Gươm, nằm giữa tượng Vua Lý và Tháp Rùa theo hướng Đông-Tây.
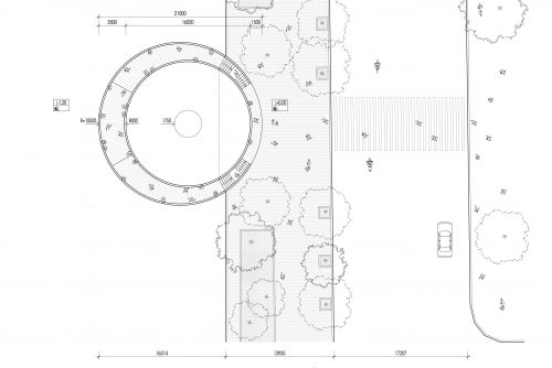
Vòng Nước gián tiếp thành hình bởi khoảng trống bên trong đường tròn vươn ra hồ. Đoạn đường là sự nối dài trên nước của bờ hồ và hoán đổi lại là một mảnh mặt hồ sánh quàng lên trên bờ để rồi tuôn trào trở lại. Nước tuôn từ quanh vành tròn ngoài, rồi hút tụ vào vòng lõm ở giữa tạo nên hình ảnh động về sự tuôn chảy liên tục, bất tận – Nói lên tâm thế Về nguồn, Tìm về gốc, Máu chảy về tim,.. để lại được tái sinh.
Vòng lõi bằng kính cong tạo hiệu ứng vô hình, thấp hơn mặt hồ 2cm để nước tràn vào rồi thu xuống bể ngầm bên bờ, sau đó lọc sạch và bơm cấp trở lại các họng phun thành vòng tuần hoàn. Nước mưa trên đoạn đường âm xuống hồ cũng được thu gom để xử lý.
Đường dốc bằng bê tông cốt thép được ngàm vào hai điểm đầu-kết trên bờ và đỡ bởi một trụ giữa-dưới hồ, bề mặt hoàn thiện dùng đá tự nhiên. Luồng người di chuyển theo một chiều, từ vỉa hè (cốt +0,0) qua 11 bậc thang (-1,65m) đi dốc dần xuống chỗ sâu nhất (-2,4m) để cảm nhận những góc nhìn khác biệt sát mặt hồ (cốt -1,2m), rồi lại tiếp tục dốc dần lên để khép kết một vòng chiêm ngắm.
Đá và Nước là hai chất liệu nguyên thuỷ nhất luôn khơi gợi ký ức của con người. Khi tản bước quanh nó, các giác quan của người trải nghiệm sẽ được đánh thức: âm thanh của dòng nước (thính giác); những góc nhìn mới, bóng đổ của ánh sáng ban ngày, ánh đèn vào ban tối (thị giác); khí mát từ luồng nước, làn hơi nước (khứu giác); chạm vào đá, nước (xúc giác),..
“Về nguồn” sẽ là một điểm đến tươi mới, rất Hồ Gươm và rất Hà Nội – một khởi đầu cho giai đoạn lịch sử mới của Thủ đô – nơi “Lắng hồn núi sông ngàn năm”!
……………………………………………………………………………………………
Đường kính vòng ngoài: 21m
Đường kính vòng trong: 16m
Đường kính vòng lõi: 3,5m
Cốt cao độ: Vỉa hè (+0,0); Mặt hồ (-1,2m); đường dốc (i=1/19; từ -1,65m đến -2,4m)
Kinh phí dự kiến: 1 tỷ đồng
| Địa điểm | Hà Nội |
| Năm hoàn thành | 2020- |
| Giải thưởng | 2020 Giải thưởng thiết kế công trình Cột mốc Km0, Vietnam |








